简单无线报警器电路原理图
的有关信息介绍如下:给你一个简单易制的无线防盗报警电路。原理图见下:

这个警器使用多普勒效应传感器作为探头,在离探头半径10米的范围内,当人体或物体相对于探头移动时,探头就能够监测到。
本报警器使用多普勒效应传感器作为探头,在离探头半径10米的范围内,当人体或物体相对于探头移动时,探头就能够监测到。经窗口电压比较器、多谐振荡器等电路,借助有寻呼功能的无绳电话机,使手机间歇地发出嘟嘟声,告诉主人有盗贼闯入监视区,实现了长距离无线报警功能,而且制作、调试简单,容易获得成功。
一、电路原理
本电路由多普勒效应传感器、窗口电压比较器、延时控制电路、多谐振荡电路组成。
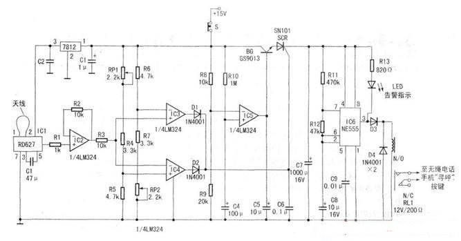
电路原理图如下图所示。IC1是作为探头的多普勒效应传感器,型号为RD6270C2、C3为滤波电路,一同与7812为IC1供电。IC2、R2组成电压跟随器,主要起到提高输入阻抗的作用,以提高RD627的灵敏度。RP1、R4、R5、R6、R7、RP2、D1、D2、IC3、IC4组成窗口电压比较器,其上下限基准电压由电源电压经分压取得,RP1、RP2用来调节窗口电压比较器的基准电压,D1、D2的作用是防止IC3、IC4其中之一输出高电平时电流倒灌入另一运算放大器而使SCR的控制受到影响。IC5、R8、R9、R10、C4、C5、C6、BG组成延时控制电路,延时时间由Rl0、C4的值决定,C5、C6起到防止误触发的作用。当刚接通15V电源时,IC5的“+”、“-”电压分别为V-=R9/R9+R8VCC=lOV,V+=OV随着时间的推移,V+的值逐渐升高,当t约为100秒时,V+达到10V,所以当接通电源时间约小于100秒内,IC5输出低电平BG不导通,可控硅SN101的A极为低电平,当接通电源时间约大于100秒时,IC5输出高电平,使BG导通,可控硅SN101的A极为高电平。
这样在接通电源约小于100秒的时间内,无论监视区内是否有活动的人体或物体,由于没有给多谐振荡器供电而处于不工作的状态,不产生报警信号,给主人留出离开监视区的时间。接通电源约100秒后,IC5输出高电平,BG导通,可控硅SN101的A极为高电平,在离探头约10米的范围内,如果没有人体或物体相对于探头移动,IC3、IC4都输出低电平,可控硅SN101不导通,多谐振荡器处于不工作的状态,不产生报警信号;当有人或物体相对于探头移动时,反射回来的信号与原信号产生频移,把微弱的频移信号进行放大,再经多普勒探测、放大、限幅等措施,取得和物体移动相关的直流电平。此电平与窗口电压比较器的基准电压相比较输出高电平,可控硅SN101导通,多谐振荡器投入工作,该振荡器输出端所接的继电器常开触点接至无绳电话机手机上“寻呼”
按键的两个端子,于是控制输出继电器RL1周期性地导通和截止。继电器RL1导通时,其常开触点闭合,相当于无绳电话机手机上的“寻呼”按键按住不放,手机发出嘟嘟声,持续时间tl=ln2R11≈15秒,告诉主人有盗贼闯入监视区,截止时触点断开,嘟嘟声停止,截止时间即无绳电话机手机自动挂机时间t2=ln2R12≈33秒,给主人留出报警或联系他人解决该问题的时间。如此随着触点的闭合和断开,间歇的嘟嘟声就向主人发出警报信号,直至主人用人工方法通过Sl切断15V电源为止。
二、元件选择和电路的制作
发射天线用铜丝制作一个φ120mm的环形天线.IC2、IC3、IC4、IC5共用一块LM324.其他元件按照电路原理图的标注选择,无特殊要求。将所有的元件安装在如下图所示的线路板上。注意元件引脚不要过长,焊接要牢固。
三、电路调试
将电路安装好后,不要装环形天线,用金属外壳将RD627罩住,用万用表电压档监测IC3、IC4的输出电压,调节RP1、RP2使IC3、IC4刚好输出低电平。然后移开金属壳,焊接好天线、继电器和无绳电话机手机的连线,通电约100秒后,人体在有效区域内移动,手机发出嘟嘟声,则电路调试完毕。
该电路经过简单修改可以借助不同的电话机实现自动寻呼,以达到长距离无线防盗的功能,也可按照需要改变防盗电路,把它用于迎宾、安全提示等实际生活中。



