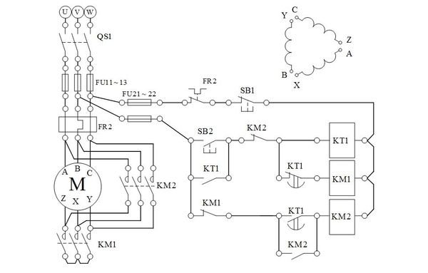
星三角启动电路图
的有关信息介绍如下:星三角启动电路图:

星三角降压启动,通过改变电机绕组的接法,达到降压启动的目的。启动时,由主接触器将电源给电机绕组的三个首端,由星点接触器将电机绕组的三个尾端闭合。

扩展资料:
星形-三角形变换是电路的转化,可通过基尔霍夫定律来完成,星形电路三相分别为:r1、r2、r3;三角形电路三相分别为:R12、R23、R13。
⒈星形变换为三角形:
R12 = r1 + r2 + (r1·r2) / r3;
R23 = r2 + r3 + (r2·r3) / r1;
R13 = r1 + r3 + (r1·r3) / r2;
⒉三角形变换星形:
r1 = (R12·R13) / (R12 + R23 + R13);
r2 = (R23·R12) / (R12 + R23 + R13);
r3 = (R13·R23) / (R12 + R23 + R13);
具体变换方法可以用基尔霍夫定律来变换。
电路图 是指用电路元件符号表示电路连接的图。电路图是人们为研究、工程规划的需要,用物理电学标准化的符号绘制的一种表示各元器件组成及器件关系的原理布局图。由电路图可以得知组件间的工作原理,为分析性能、安装电子、电器产品提供规划方案。
在设计电路中,工程师可从容在纸上或电脑上进行,确认完善后再进行实际安装。通过调试改进、修复错误、直至成功。采用电路仿真软件进行电路辅助设计、虚拟的电路实验,可提高工程师工作效率、节约学习时间,使实物图更直观。
原理图
又被叫做“电原理图”。这种图,由于它直接体现了电子电路的结构和工作原理,所以一般用在设计、分析电路中。分析电路时,通过识别图纸上所画的各种电路元件符号,以及它们之间的连接方式,就可以了解电路实际工作时的原理,原理图就是用来体现电子电路的工作原理的一种工具。
方框图
简称框图,方框图是一种用方框和连线来表示电路工作原理和构成概况的电路图。从根本上说,这也是一种原理图,不过在这种图纸中,除了方框和连线,几乎就没有别的符号了。
它和上面的原理图主要的区别就在于原理图上详细地绘制了电路的全部的元器件和它们的连接方式,而方框图只是简单地将电路按照功能划分为几个部分,将每一个部分描绘成一个方框,在方框中加上简单的文字说明,在方框间用连线(有时用带箭头的连线)说明各个方框之间的关系。
所以方框图只能用来体现电路的大致工作原理,而原理图除了详细地表明电路的工作原理之外,还可以用来作为采集元件、制作电路的依据。



