形位公差尺寸GB/T 1804-K尺寸表
的有关信息介绍如下:形位公差尺寸表如下:

形位公差包括形状公差与位置公差,而位置公差又包括定向公差和定位公差,这类误差影响机械产品的功能,设计时应规定相应的公差并按规定的标准符号标注在图样上。
20世纪50年代前后,工业化国家就有形位公差标准。国际标准化组织(ISO)于1969年公布形位公差标准,1978年推荐了形位公差检测原理和方法。

形位公差的代号标注:
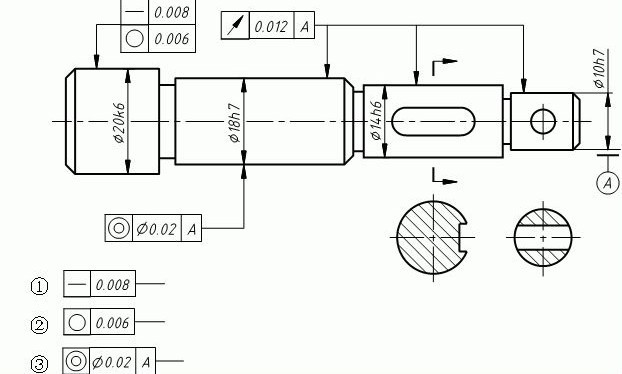
形状公差代号包括:形状公差的各项目的符号,如图9.2.1,形状公差框格分为两格,第一格为形状公差的项目符号,第二格为公差数值;指引线为带箭头的细实线;形状公差值和其他有关符号。
位置公差代号包括:位置公差的各项目的符号,如图9.2.1,位置公差框格分为三格,第一格为形状公差的项目符号,第二格为公差数值,第三格为基准名称;指引线为带箭头的细实线;位置公差值和其他有关符号,以及基准代号等。
形位公差框格由两个框格或多个格框组成,框格中的主要内容从左到右按以下次序填写:公差特征项目符号;公差值及有关附加符号;基准符号及有关附加符号。
参考资料来源:百度百科-形位公差



